
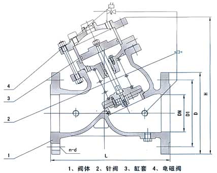
BYH108X活塞式電動遙控閥安裝在各類給水系統的管道上,根據電信號或手動操作,使閥門打開或關閉。準確快速的控制反應。關閉速度可調,閥門平穩關閉而不會產生壓力波動。采用三向電磁閥,維護簡單。
當前水力控制閥被廣泛用于石油化工、化工、煤氣、天然氣、液化石油氣、暖通行業以及一般工業中。
DN | 50 | 65 | 80 | 10 | 125 | 150 | 200 | 250 | 300 | 350 | 400 | 450 | 500 | 600 | 700 | 800 | 900 | 1000 |
---|---|---|---|---|---|---|---|---|---|---|---|---|---|---|---|---|---|---|
L | 205 | 216 | 250 | 320 | 365 | 415 | 500 | 605 | 698 | 787 | 914 | 978 | 978 | 1150 | 1300 | 1450 | 1650 | 1800 |
H | 320 | 367 | 400 | 452 | 522 | 592 | 696 | 810 | 943 | 1200 | 1230 | 1230 | 1270 | 1600 | 1750 | 1900 | 2100 | 2400 |
dgfmjt@163.com
021-66861950
上海市金山區亭林鎮亭朱公路1918號