
LT942X型活塞式流量調節閥是本公司技術人員在借鑒德國、日本先進經驗,總結國內設計制造及實用經驗的基礎上,根據流體力學特性而開發出來的調速調壓型閥門。
LT942X型活塞式流量調節閥是本公司技術人員在借鑒德國、日本先進經驗,總結國內設計制造及實用經驗的基礎上,根據流體力學特性而開發出來的調速調壓型閥門。LT942X型活塞式流量調節閥已經在電站、引水、供水等領域得到了廣泛的應用。經過改進的本系列流量調節閥不但適用于清水,對于天然江河湖泊水、輕度污水具有良好的耐受能力。從設計結構和材料選用上解決了多年來流量調節閥易結垢,卡阻,驅動裝置偏大的難題。
當前水力控制閥主要用在水廠、電廠、引水工程等介質為水的管網系統,起調節管道介質流量、流態以及調節管網壓力的作用。
該閥最優于傳統流量調節閥的特點就在于它的結構設計和材料選用使其不怕污水堵塞滑道,不怕結垢現象,不易卡阻。驅動裝置明顯減小。
該閥可自動調節預先設定的管道介質參數值,使之在一定精度內保持恒定,且精度范圍也可以進行調整。
該閥具有良好的耐氣蝕特性,閥體內壁的筋板兼有整流板的作用,可以分散水流,防止氣蝕。同時,也減小了閥門的噪音和活塞的振動。
該閥的控制系統可采用集成電子電路,體積小,可靠性好,靈敏度高,安裝調試方便。
全關滲漏量為零,可作為截止閥使用。不必另設其他截止閥門。
如控制程度及精度要求不是很高,該閥的控制可以采用手動或普通電動形式。
可以臥式安裝,也可以立式安裝。
材料 | 零件名稱 |
---|---|
HT200、HT250、QT450-10 | 閥體、端蓋、連桿架、法蘭管、曲柄 |
2Cr13、1Cr18Ni9Ti | 閥桿、銷軸、活塞 |
1Cr18Ni9Ti | 閥體密封圈 |
NBR | 活塞密封圈 |
QT450-10 | 連桿 |
ZCuA10Fe3、ZCuzN38Mn2Pb2 | 軸承 |
NBR | 填料 |
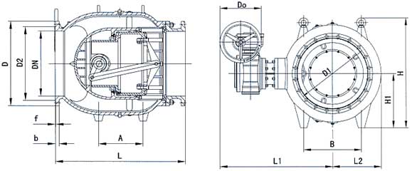
PN | DN | L | L1 | L2 | H | H1 | D0 | A | B |
---|---|---|---|---|---|---|---|---|---|
400 | 800 | 715 | 308 | 980 | 335 | 250 | 345 | 390 | |
450 | 900 | 749 | 347 | 1100 | 400 | 250 | 410 | 440 | |
500 | 1000 | 792 | 383 | 1180 | 450 | 300 | 460 | 500 | |
600 | 1200 | 847 | 458 | 1250 | 500 | 300 | 510 | 600 | |
700 | 1400 | 920 | 528 | 1390 | 600 | 300 | 580 | 700 | |
800 | 1600 | 980 | 599 | 1530 | 700 | 360 | 680 | 800 | |
900 | 1800 | 1030 | 674 | 1650 | 800 | 360 | 780 | 900 | |
1000 | 2000 | 1105 | 744 | 1800 | 900 | 400 | 860 | 1000 | |
1200 | 2400 | 1375 | 852 | 2010 | 1000 | 400 | 950 | 1130 | |
1400 | 2800 | 1380 | 1031 | 2230 | 1250 | 400 | 1250 | 1380 | |
1600 | 3200 | 1490 | 1183 | 2480 | 1450 | 400 | 1500 | 1600 | |
1800 | 3600 | 1780 | 1325 | 2720 | 1650 | 400 | 1750 | 1750 | |
2000 | 4000 | 1910 | 1476 | 2930 | 1850 | 400 | 2000 | 1950 |
dgfmjt@163.com
021-66861950
上海市金山區亭林鎮亭朱公路1918號