
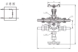
QFF3流量計平衡閥是用在差壓變送器配套上,起平衡作用,它有一個輸入端二個輸出端,在不切斷管道流體的情況下,完成排污,它優于三閥組,可以避免三閥組誤操作而產生單向靜壓的缺點。
當前針型閥廣泛應用于城建、化工、冶金、石油、制藥、食品、飲料、環保中。
設計制造:GB/T 12224-1989;JB/T 8473-1996
連接形式:對焊式管接頭
結構特征:錐面密封;
閥門檢驗和實驗:GB/T 13927-1992
材料:碳鋼按GB/T 12228-1989的規定
不銹鋼按 GB/T 1220-1989的規定
實驗項目 | 壓力值 |
---|---|
公稱壓力 | 16 |
殼體實驗 | 24 |
密封試驗 | 17.6 |
氣壓試驗 | 9.6 |
適用溫度 | ≤425℃ |
適用介質 | 水、蒸汽、油品等 |
型號 | 閥體 | 接頭 | 閥桿 | 螺帽 | 填料 |
---|---|---|---|---|---|
QFF3-160 | 20# | 20# | 2Cr13 | 20# | 柔性石墨 |
QFF3-160P | SS304 | SS304 | SS304 | SS304 |
規格 | 4-Ф | A | L1 | L2 | Do | 重量(kg) |
---|---|---|---|---|---|---|
DN6 | 4-Ф14 | 54 | 240 | 204 | 63 | 2.9 |
dgfmjt@163.com
021-66861950
上海市金山區亭林鎮亭朱公路1918號