
D641X氣動法蘭式軟密封蝶閥由軟密封中線對夾式蝶閥與活塞式氣動執行器構成,活塞式氣缸具有力矩大開啟速度快的特點,另外再配上電磁閥可以實現對閥門的完美控制。另外雙偏心法蘭式蝶閥結構緊湊,90°回轉開關輕松,密封可靠,使用壽命長,被廣泛用于水廠、電廠、鋼廠、造紙、化工、飲食等系統供排水中,作為調節和截止使用。
概述
D641X氣動法蘭式軟密封蝶閥由軟密封中線對夾式蝶閥與活塞式氣動執行器構成,活塞式氣缸具有力矩大開啟速度快的特點,另外再配上電磁閥可以實現對閥門的完美控制。另外雙偏心法蘭式蝶閥結構緊湊,90°回轉開關輕松,密封可靠,使用壽命長,被廣泛用于水廠、電廠、鋼廠、造紙、化工、飲食等系統供排水中,作為調節和截止使用。
特點
本閥采用雙偏心結構,具有越關越緊的密封功能,密封性能可靠。
密封副材料選用不銹鋼和丁腈耐油橡膠配對,使用壽命長。
橡膠密封圈即可位于閥體上,也可以位于蝶板上,可適用不同特點的介質,供用戶選擇。
蝶板采用框架結構,強度高,過流面積大,流阻小。
整體烤漆、能有效地防止銹蝕且只要更換密封閥座密封材料,就可使用于不同介質。
本閥具有雙向密封功能,安裝時不受介質流向的控制,也不受空間位置的影響,可在任何方向安裝。
本閥結構獨特,操作靈活,省力,方便。
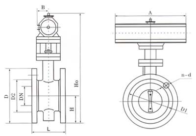
D641X/J-(6.10.16)Q.C.P.R系列連接尺寸
公稱通徑 | 結構長度(標準值) | 外形尺寸(參考值) | 連接尺寸(標準值) | 參考重量 | |||||||||||||||
---|---|---|---|---|---|---|---|---|---|---|---|---|---|---|---|---|---|---|---|
0.6MPa | 1.0 MPa | 1.6 MPa | |||||||||||||||||
毫米 | 英寸 | L | H | Ho | A | B | D | D1 | D2 | n-d | D | D1 | D2 | n-d | D | D1 | D2 | n-d | |
50 | 2 | 108 | 82.5 | 338 | 180 | 65 | 140 | 110 | 88 | 4-14 | 165 | 125 | 99 | 4-18 | 165 | 125 | 99 | 4-18 | 14 |
65 | 21/ | 112 | 92.5 | 358 | 180 | 65 | 160 | 130 | 108 | 4-14 | 185 | 145 | 118 | 4-18 | 185 | 145 | 118 | 4-18 | 16 |
80 | 3 | 114 | 100 | 413 | 245 | 72 | 190 | 150 | 124 | 4-18 | 200 | 160 | 132 | 8-18 | 200 | 160 | 132 | 8-18 | 17 |
100 | 4 | 127 | 110 | 428 | 240 | 72 | 210 | 170 | 144 | 4-18 | 220 | 180 | 156 | 8-18 | 220 | 180 | 156 | 8-18 | 21 |
125 | 5 | 140 | 125 | 444 | 240 | 72 | 240 | 200 | 174 | 8-18 | 250 | 210 | 184 | 8-18 | 250 | 210 | 184 | 8-18 | 27 |
150 | 6 | 140 | 142.5 | 553 | 350 | 93 | 265 | 225 | 199 | 8-18 | 285 | 240 | 211 | 8-22 | 285 | 240 | 211 | 8-22 | 29 |
200 | 8 | 152 | 170 | 678 | 350 | 93 | 320 | 280 | 254 | 8-18 | 340 | 295 | 266 | 8-22 | 340 | 295 | 266 | 12-22 | 50 |
250 | 10 | 165 | 197.5 | 742 | 550 | 350 | 375 | 335 | 309 | 12-18 | 395 | 350 | 319 | 12-22 | 405 | 355 | 319 | 12-26 | 69 |
300 | 12 | 178 | 222.5 | 803 | 600 | 350 | 440 | 395 | 363 | 12-22 | 445 | 400 | 370 | 12-22 | 460 | 410 | 370 | 12-26 | 91 |
350 | 14 | 190 | 252.5 | 866 | 600 | 350 | 490 | 445 | 413 | 12-22 | 505 | 460 | 429 | 16-22 | 520 | 470 | 429 | 16-26 | 110 |
400 | 16 | 216 | 282.5 | 940 | 600 | 350 | 540 | 495 | 463 | 16-22 | 565 | 515 | 480 | 16-26 | 580 | 525 | 480 | 16-30 | 138 |
450 | 18 | 222 | 307.5 | 995 | 750 | 380 | 595 | 550 | 518 | 16-22 | 615 | 565 | 530 | 20-26 | 640 | 585 | 548 | 20-30 | 175 |
500 | 20 | 229 | 335 | 1058 | 750 | 380 | 645 | 600 | 568 | 20-22 | 670 | 620 | 582 | 20-26 | 715 | 650 | 609 | 20-33 | 210 |
600 | 24 | 267 | 390 | 1163 | 750 | 380 | 755 | 705 | 667 | 20-26 | 780 | 725 | 682 | 20-30 | 840 | 770 | 720 | 20-36 | 275 |
700 | 28 | 430 | 447.5 | 1283 | 750 | 380 | 860 | 810 | 772 | 24-26 | 895 | 840 | 794 | 24-30 | 910 | 840 | 794 | 24-36 | 530 |
800 | 32 | 470 | 507.5 | 1398 | 750 | 380 | 975 | 920 | 878 | 24-30 | 1015 | 950 | 901 | 24-33 | 1025 | 950 | 901 | 24-39 | 590 |
900 | 36 | 510 | 557.5 | 1498 | 1250 | 380 | 1075 | 1020 | 978 | 24-30 | 1115 | 1050 | 1001 | 28-33 | 1125 | 1050 | 1001 | 28-39 | 1400 |
1000 | 40 | 550 | 615 | 1608 | 1500 | 580 | 1175 | 1120 | 1078 | 28-30 | 1230 | 1160 | 1112 | 28-36 | 1255 | 1170 | 1112 | 28-42 | 1650 |
1200 | 48 | 630 | 727.5 | 1876 | 1500 | 580 | 1405 | 1340 | 1295 | 32-33 | 1455 | 1380 | 1328 | 32-39 | 1485 | 1390 | 1328 | 32-48 | 2140 |
主要參數
公稱通經DN(mm) | 50~2000 | 50~1600 | |
---|---|---|---|
公稱藥理PN(MPa) | 0.6 | 1.0 | 1.6 |
密封試驗(MPa) | 0.66 | 1.1 | 1.76 |
強度試驗(MPa) | 0.9 | 1.5 | 2.4 |
適用溫度 | 丁腈橡膠:-40℃~90℃氟橡膠:-20℃~200℃ | ||
適用介質 | 水、空氣、天然氣、油品及弱腐蝕性流體 | ||
泄漏率 | 符合GB/T13927-92標準 | ||
驅動方式 | 蝸輪傳動、電動、氣動、液動 |
主要零部件材料
零件名稱 | 材料 |
---|---|
閥體 | WCB、QT450-10、HT200、HT250 |
蝶板 | WCB、QT450-10、HT200、HT250 |
閥軸 | 2Cr13 |
密封圈 | 丁腈耐油橡膠 |
填料 | 柔性石墨 |
執行標準
制造標準 | GB/T 122387-89 |
---|---|
法蘭標準 | GB9113-2000、GB17241.6-1998 |
結構長度標準 | GB12221-89 |
檢驗標準 | GB/T 13927-92 |
dgfmjt@163.com
021-66861950
上海市金山區亭林鎮亭朱公路1918號