
東鍋泵閥公司生產銷售的Q63c1F(PPL)-10氣動放料球閥是一種特殊結構的放料球閥,閥座與端面法蘭距離近,物料滯留少,結構緊湊,密封性能優越,用于精細化工、制藥、化工行業有反應鍋上,也可用在細軟顆粒介質輸送。采用PPL密封材料,更具耐磨,是牙膏行業真空制膏鍋放料的最理想產品。
常見故障
碳酸鉀液體均勻度較差.造成加料管堵塞,形成問歇加料現象,使離心機產生振動。
放料閥的角度無法調整,離心轉鼓轉速 太快.加料時使物料四溢,易燙傷人體(碳酸鉀液體溫度在70℃左右);
放料閥位于離心機頂端.出料時要傾斜.不易操作。
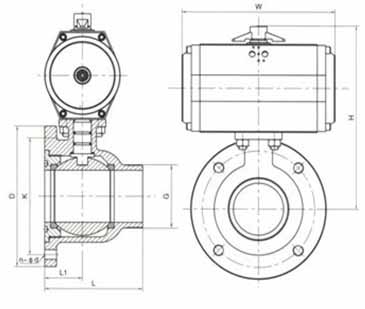
結構示意圖
氣動放料球閥 主要外形和連接尺寸 單位Unit:(mm)
通徑DN | G | L | L1 | D | K | n-Φd | H | W | |
---|---|---|---|---|---|---|---|---|---|
mm | in | ||||||||
25 | 1″ | G1″ | 72 | 22 | 100 | 78 | 4-Φ10 | 160 | 140 |
40 | 1 1/2″ | G1/2″ | 92 | 31 | 130 | 100 | 4-Φ12 | 18/0 | 164 |
50 | 2″ | G2″ | 112 | 41 | 150 | 130 | 4-Φ14 | 220 | 190 |
65 | 2 1/2″ | G21/2″ | 125 | 46 | 190 | 155 | 4-Φ14 | 250 | 210 |
80 | 3″ | G3″ | 160 | 57 | 205 | 170 | 4-Φ14 | 275 | 247 |
100 | 4″ | G4″ | 175 | 68 | 235 | 200 | 4-Φ18 | 310 | 276 |
Q641c1為雙法蘭結構,出口端為GB9113或JB79 PN10標準法蘭。
dgfmjt@163.com
021-66861950
上海市金山區亭林鎮亭朱公路1918號