
D941電動法蘭式通風蝶閥采用與閥體相同材料加工成密封圈,采用電或氣傳動。其適用溫度隨閥體選材而定,公稱壓力≤0.6MPa。一般適用于工業、冶金、環保等管道作通風調節介質流量之用。其主要特點為:
設計新穎,合理,結構獨特,重量輕,啟閉迅速。
操力鉅小,操作方便,省力靈巧。
采用適應的材料以滿足低、中、高不同介質溫度其及腐蝕性介質等。
采用標準
設計標準:GB/T 12238-1989 JB/T8692-1998
法蘭連接尺寸: GB/T9115.1-2000
結構長度:GB/T 12221-1989
壓力試驗:GB/T 13927-92; JB/T 9092-1999
主要技術參數
公稱通徑 | DN | 50~2000 | ||
---|---|---|---|---|
公稱壓力 | PN | 0.05 | 0.25 | 0.6 |
試驗壓力 | 強度實驗 | 0.075 | 0.375 | 0.9 |
密封實驗 | ≤1.5﹪泄漏量 | |||
適用介質 | ,煤氣、含塵氣體、煙道氣等 | |||
驅動形式 | 氣傳動、電傳動 |
主要零件的材質
材料 |
---|
鑄鋼、不銹鋼、鉻鎳鉬鈦鋼、鉻鉬鈦鋼等特殊材料 |
鑄鋼、不銹鋼、鉻鎳鉬鈦鋼、鉻鉬鈦鋼等特殊材料 |
與閥體相同 |
碳鋼、2Cr13、不銹鋼、鉻鎳鉬鈦鋼 |
氟塑料、柔性石墨 |
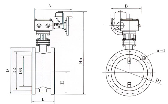
D941W-(0.5.2.5.6)C.P.R.V系列通風蝶閥連接尺寸
公稱通徑 | 結構長度 | 外形尺寸(參考值 | 連接尺寸(標準值) | 參考重量 | |||||||||
---|---|---|---|---|---|---|---|---|---|---|---|---|---|
0.05MPa和0.25MPa | 0.6MPa | ||||||||||||
毫米 | 英寸 | L | H | H0 | A | B | D | D1 | n-d | D | D1 | n-d | |
50 | 2 | 108 | 70 | 418 | 250 | 225 | 140 | 110 | 4-14 | 140 | 110 | 4-14 | 42 |
65 | 21/2 | 112 | 80 | 438 | 250 | 225 | 160 | 130 | 4-14 | 160 | 130 | 4-14 | 53 |
80 | 3 | 114 | 95 | 466 | 250 | 225 | 190 | 150 | 4-18 | 190 | 150 | 4-18 | 62 |
100 | 4 | 127 | 105 | 486 | 250 | 225 | 210 | 170 | 4-18 | 210 | 170 | 4-18 | 81 |
125 | 5 | 140 | 120 | 516 | 325 | 245 | 240 | 200 | 8-18 | 240 | 200 | 8-18 | 90 |
150 | 6 | 140 | 132 | 541 | 325 | 245 | 265 | 225 | 8-18 | 265 | 225 | 8-18 | 100 |
200 | 8 | 152 | 160 | 779 | 325 | 245 | 320 | 280 | 8-18 | 320 | 280 | 8-18 | 110 |
250 | 10 | 165 | 187 | 836 | 363 | 313 | 375 | 335 | 12-18 | 375 | 335 | 12-18 | 145 |
300 | 12 | 178 | 220 | 901 | 363 | 313 | 440 | 395 | 12-22 | 440 | 395 | 12-22 | 160 |
350 | 14 | 190 | 245 | 954 | 363 | 313 | 490 | 445 | 12-22 | 490 | 445 | 12-22 | 215 |
400 | 16 | 216 | 270 | 1003 | 363 | 313 | 540 | 495 | 16-22 | 540 | 495 | 16-22 | 230 |
450 | 18 | 222 | 297 | 1058 | 465 | 439 | 595 | 550 | 16-22 | 595 | 550 | 16-22 | 250 |
500 | 20 | 229 | 322 | 1111 | 546 | 556 | 645 | 600 | 20-22 | 645 | 600 | 20-22 | 260 |
600 | 24 | 267 | 377 | 1233 | 546 | 556 | 755 | 705 | 20-26 | 755 | 705 | 20-26 | 370 |
700 | 28 | 292 | 430 | 1338 | 546 | 556 | 860 | 810 | 24-26 | 860 | 810 | 24-26 | 400 |
800 | 32 | 318 | 487 | 1452 | 546 | 556 | 975 | 920 | 24-30 | 975 | 920 | 24-30 | 560 |
900 | 36 | 330 | 537 | 1588 | 632 | 706 | 1075 | 1020 | 24-30 | 1075 | 1020 | 24-30 | 580 |
1000 | 40 | 410 | 587 | 1689 | 632 | 706 | 1175 | 1120 | 28-30 | 1175 | 1120 | 28-30 | 660 |
1200 | 48 | 470 | 702 | 1938 | 632 | 706 | 1375 | 1320 | 32-30 | 1405 | 1340 | 32-33 | 950 |
1400 | 56 | 530 | 782 | 2670 | 790 | 1338 | 1575 | 1520 | 36-30 | 1630 | 1560 | 36-36 | 1280 |
1600 | 64 | 600 | 895 | 2810 | 868 | 1476 | 1790 | 1730 | 40-30 | 1830 | 1760 | 40-36 | 1510 |
1800 | 72 | 670 | 995 | 3020 | 868 | 1476 | 1990 | 1930 | 44-30 | 2045 | 1970 | 44-39 | 2500 |
2000 | 80 | 760 | 1095 | 3220 | 965 | 1600 | 2190 | 2130 | 48-30 | 2265 | 2180 | 48-42 | 2900 |
dgfmjt@163.com
021-66861950
上海市金山區亭林鎮亭朱公路1918號