
手動法蘭式伸縮蝶閥適用于溫度≤80℃,公稱壓力≤1.6MPa的食品、醫藥、化工、石油、電力、輕紡、造紙等給排水、氣體管道上作調節流量和截流介質的作用,具有補償管道熱脹冷縮的功能。其主要特點為:
設計新穎,合理,結構獨特,重量輕,操作方便,啟閉迅速;
伸縮蝶閥除了能作調節和截流作用,補償管道溫差所產生的熱脹冷縮功能外,還能為安裝更換、維修提供方便;
密封部位可調節更換,密封性能可靠等特點。
采用標準
設計標準:GB/T12238-1989
法蘭連接尺寸:GB/T9113.1-2000; GB/T9113.2-2000; GB/T9115.1-2000; GB/T9115.2-2000
壓力試驗:GB/T 13927-1992; JB/T 9092-1999
主要技術參數
公稱通徑 | DN | 50~2000 | ||
---|---|---|---|---|
公稱壓力 | PN | 0.6 | 1.0 | 1.6 |
試驗壓力 | 強度實驗 | 0.9 | 1.5 | 2.4 |
密封實驗 | 0.66 | 1.1 | 1.76 | |
氣密封實驗 | 0.6 | 0.6 | 0.6 | |
使用溫度 | ≤80℃ | |||
適應介質 | 空氣、水、蒸汽、煤氣、油品等 | |||
驅動形式 | 手動、蝸桿蝸輪傳動、氣傳動、電傳動 |
零件名稱 | 材料 |
---|---|
閥體 | 鑄鐵、鑄鋼、不銹鋼鉻、鉬鋼、合金鋼 |
蝶板 | 鑄鋼、合金鋼、不銹鋼、鉻鉬鋼 |
密封圈 | 橡膠、聚四氟、聚內脂、不銹鋼 |
閥桿 | 2Cr13、不銹鋼、鉻鉬鋼 |
伸縮管 | 鑄鐵、鑄鋼、不銹鋼、鉻鉬鋼 |
填料 | 柔性石墨 |
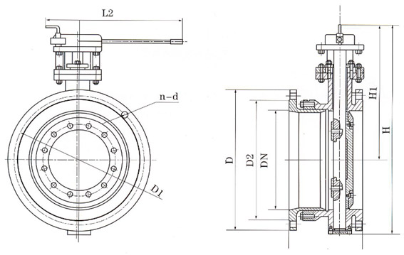
SDt/d(H.F.X)-(6、10、16)系列手動法蘭式伸縮蝶閥結構示意圖
SDt/d43(H.F.X)-(6、10、16)系列手動法蘭式伸縮蝶閥 連接尺寸
公稱通徑 | 外形尺寸(參考值) | 法蘭尺寸和螺栓尺寸(標準值) | |||||||||||||||||
---|---|---|---|---|---|---|---|---|---|---|---|---|---|---|---|---|---|---|---|
H | H1 | 設計最大長度L | 設計最小長度L | 設計長度L | L2 | 0.6MPa | 1.0MPa | 1.6MPa | |||||||||||
毫米 | 英寸 | D | D1 | D2 | n-d | D | D1 | D2 | n-d | D | D1 | D2 | n-d | ||||||
50 | 2 | 325 | 240 | 163 | 138 | 151 | 265 | 140 | 110 | 88 | 4-14 | 165 | 125 | 99 | 4-18 | 165 | 125 | 99 | 4-18 |
65 | 21/2 | 340 | 250 | 188 | 152 | 170 | 265 | 160 | 130 | 108 | 4-14 | 185 | 145 | 118 | 4-18 | 185 | 145 | 118 | 4-18 |
80 | 3 | 355 | 255 | 192 | 162 | 177 | 320 | 190 | 150 | 124 | 4-18 | 200 | 160 | 132 | 8-18 | 200 | 160 | 132 | 8-18 |
100 | 4 | 400 | 275 | 215 | 175 | 205 | 320 | 210 | 170 | 144 | 4-18 | 220 | 180 | 156 | 8-18 | 220 | 180 | 156 | 8-18 |
125 | 5 | 435 | 300 | 230 | 185 | 215 | 340 | 240 | 200 | 176 | 8-18 | 250 | 210 | 184 | 8-18 | 250 | 210 | 184 | 8-18 |
150 | 6 | 455 | 310 | 240 | 196 | 225 | 390 | 265 | 225 | 199 | 8-18 | 285 | 240 | 211 | 8-22 | 285 | 240 | 211 | 8-22 |
dgfmjt@163.com
021-66861950
上海市金山區亭林鎮亭朱公路1918號