
本廠生產的KPF-16型流量平衡閥是一種具有特殊功能的閥門,具有良好的流量特性,能夠合理的分配流量,實現流量定量,可以有效地解決供熱(空調)系統中存在的室溫冷熱不勻問題。由于該閥門設有開啟度指示.開度鎖定裝置及用于流量測定的測壓小閥
本廠生產的KPF-16型流量平衡閥是一種具有特殊功能的閥門,具有良好的流量特性,能夠合理的分配流量,實現流量定量,可以有效地解決供熱(空調)系統中存在的室溫冷熱不勻問題。由于該閥門設有開啟度指示.開度鎖定裝置及用于流量測定的測壓小閥,所以只要在各支路及用戶入口裝上適當規格的平衡閥,并用專用智能儀表進行一次性調試后鎖定,將系統的總水量控制在合理的范圍內,從而克服了”大流量,小溫差”的不合理化現象。該平衡閥是供熱系統中的理想產品,最高介質溫度為1 00℃,歡迎選購。
公稱壓力 | 試驗壓力(MPo) | 工作壓力(MPa) | 工作介質 | 介質溫度 (℃) | ||
---|---|---|---|---|---|---|
殼體 | 密封 | P20 | P12 | |||
1 6 | 2 4 | 1 76 | 1 5 | 1 6 | 水 | 0-100 |
零件名稱 | 閥體、閥蓋、 | 閥桿 | 閥桿螺母 | 墊圈 | 填料 |
---|---|---|---|---|---|
材料 | 灰鑄鐵 | 不銹鋼 | 鑄銅 | 橡膠石棉板 | 膨脹石墨 |
(法蘭連接PNl.6MPA按JB/T79—94標準)
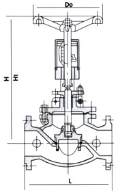
型號 | KPF-16 | ||||||||||||||||||
---|---|---|---|---|---|---|---|---|---|---|---|---|---|---|---|---|---|---|---|
公稱壓力PN(Mpa) | 1.6 | ||||||||||||||||||
公稱通徑DN(MPa) | 15 | 20 | 25 | 32 | 40 | 50 | 65 | 80 | 100 | 125 | 150 | 200 | 250 | 300 | 350 | 400 | 500 | 600 | |
尺寸 | L | 130 | 150 | 160 | 180 | 200 | 230 | 290 | 310 | 350 | 400 | 480 | 495 | 622 | 698 | 787 | 914 | 978 | 1295 |
H | 150 | 160 | 182 | 192 | 250 | 264 | 380 | 413 | 446 | 540 | 623 | 687 | 782 | 914 | 968 | 1037 | 1440 | 1790 | |
H1 | 160 | 170 | 197 | 207 | 270 | 284 | 410 | 448 | 506 | 595 | 688 | 762 | 867 | 1009 | 1073 | 1152 | 1440 | 1790 | |
D0 | 80 | 180 | 80 | 90 | 100 | 120 | 200 | 200 | 240 | 240 | 360 | 400 | 500 | 500 | 680 | 680 |
平衡閥的安裝位置:平衡閥既可以安裝在供水管上,也可以安裝在回水管上。一般我們建議裝在回水管上,尤其對于高溫環路為方便調試,更要裝在回水管上,安裝了平衡閥的供(回)水管就不必再設截止閥。
dgfmjt@163.com
021-66861950
上海市金山區亭林鎮亭朱公路1918號