
D971X電動對夾式軟密封蝶閥是采用一體化結構,接入220VAC電源即可控制運轉,也可加入控制模塊,輸入控制信號(4-20mADC或1-5VDC)進行調節控制。電動軟密封蝶閥具有功能強,體積小,輕便宜人,性能可靠,配套簡單元,流通能力大,對常溫、干凈介質,可選用閥板加軟密封(橡膠圈、四氟圈)來減少泄漏(可達0.01%),高溫高壓工況可選用三偏心硬密封閥體。電動軟密封蝶閥可廣泛應用于食品,環保,輕工,石油,化工,教學設備,造紙,電力等到行業的工業過程自動控制系統中。
設計標準
設計標準 | GB/T2238-1989 |
---|---|
法蘭連接尺寸 | GB/T9113.1-2000;GB/T9115.1-2000;JB78 |
結構長度 | GB/T12221-1989 |
壓力試驗 | GB/T13927-2000;JB/T9092-1999 |
技術參數
公稱通徑DN(mm) | 50~1200 | ![]() |
---|---|---|
公稱壓力 | PN1.0、1.6MPa | |
法蘭標準 | JB/T79、GB/T9113、HG20594-97 | |
連接形式 | 法蘭式、對夾式 | |
閥板形式 | 垂直板式 | |
流量特性 | 近似快開型 | |
動作范圍 | 0~90° | |
泄露量 | 按GB/T4213-92,為Kv值的10-4 | |
基本誤差 | ±2.5% | |
回差 | ±2.5% | |
死區 | 1% (可調) | |
可調范圍 | 50:1 | |
配置執行機構 | 可配PSQ、HQ、UNIC、361RS、JO等系列角行程電動執行機構 | |
控制方式 | 開關到位燈(開關兩位控制)、智能調節(4~20mA模擬量信號控制) |
執行器技術參數
執行器類別 | 引進型JO系列執行器參數 | 引進型3610R系列執行器參數 | 引進型HQ系列執行器參數 |
---|---|---|---|
電源電壓 | 標準:220V AC單相 可選:110V AC 單相、380/440V AC 三相、24V/110V/220V AC | ||
輸出力矩 | 50N·M~2000N·M | 50N·M~1500N·M | 50N·M~3000N·M |
動作范圍 | 0~90° 0~360° | 0~90° | 0~90°、0°~270°可選 |
控制方式 | 開關到位燈(開關兩位控制)、無源觸點信號、1/5K電位計、智能調節(4~20mA模擬量信號控制) | ||
動作時間 | 15秒/30秒/60秒 | 10秒/15秒/30秒 | 18S~112S |
保護裝置 | 過熱保護 | 過載保護 | 內置過熱保護、過載保護 |
環境溫度 | -30°~60° | -30°~60° | -20℃~+70℃ |
手動操作 | 同附帶手柄操作 | 同附帶手柄操作 | 機械離合機構,配手輪操作 |
機械限位 | 電氣、機械二重限位 | 電氣、機械二重限位 | 2個外部調整螺栓 |
防護等級 | IP65 | IP55 | IP65、IP67、可定制IP68 |
防爆等級 | 無防爆 | ExdⅡ BT4 | ExdⅡ BT4,ExdⅡ CT6 |
位置測量 | 可選裝開關或電位計 | 比例控制單元 | 電位計、比例控制單元 |
驅動電機 | 8W/E | AC可逆電機 | 鼠籠式異步電機 |
進線接口 | PE1/2〞進線線鎖 | 2-PF 1/2〞進線線鎖 | 2個 PF 3/4” |
殼體材料 | 鋁合金 | 鋼,鋁合金 | 鋼,鋁合金,鋁青銅,聚碳酸脂 |
外涂層 | 干粉,環氧聚酯,具有超強防腐功能 |
(1)功能強勁:智能型、調節型、開關式。
(2)體積小巧:體積僅相當于同類產品的35%左右。
(3)使用方便:采用單相電源,接線簡單;采用獨創的球型凸出結構,使觀察更方便;免加油免點檢、防水防銹、任意角度安裝。
(4)保護裝置有雙重限位、過熱保護、過載保護。全行程時間15秒、30秒、45秒、60秒。及帶手動功能。
(5)智能數控:內置模塊采用先進計算機單片及智能控制軟件直接接收計算機或工業儀表等輸出的標準信號(4-20mA DC /1-5VDC)實現閥門開度的智能控制和精確定位。
也可選用3810系列或NA系列電子式角行程執行機構.亦可選用PSQ系列或DYR系列。≥DN400口徑閥門一般采用380VAC電動執行器。
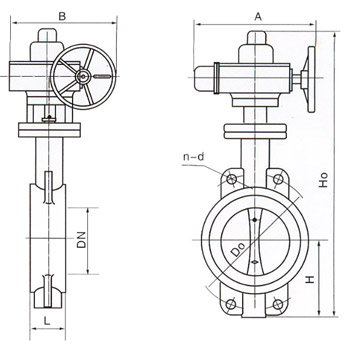
D971X/J(6,10,16)Q.C.P.R系列連接尺寸
公稱通徑 | 結構長度 (標準值) | 外形尺寸(參考值) | 連接尺寸(標準值) | |||||||||
---|---|---|---|---|---|---|---|---|---|---|---|---|
0.6MPa | 1.0 MPa | 1.6 MPa | ||||||||||
毫米 | 英寸 | L | H | Ho | A | B | D0 | n-d | D0 | n-d | D0 | n-d |
50 | 2 | 43 | 63 | 438 | 125 | 125 | 110 | 4-14 | 125 | 4-18 | 125 | 4-18 |
65 | 21/2 | 46 | 70 | 453 | 125 | 125 | 130 | 4-14 | 146 | 4-18 | 145 | 4-18 |
80 | 3 | 46 | 83 | 478 | 125 | 125 | 150 | 4-18 | 160 | 8-18 | 160 | 8-18 |
100 | 4 | 52 | 105 | 519 | 125 | 125 | 170 | 4-18 | 180 | 8-18 | 180 | 8-18 |
125 | 5 | 56 | 115 | 713 | 325 | 245 | 200 | 8-18 | 210 | 8-18 | 210 | 8-18 |
150 | 6 | 56 | 137 | 749 | 325 | 245 | 225 | 8-18 | 240 | 8-22 | 240 | 8-22 |
200 | 8 | 60 | 164 | 843 | 325 | 245 | 280 | 8-18 | 295 | 8-22 | 295 | 12-22 |
250 | 10 | 68 | 206 | 947 | 363 | 313 | 335 | 12-18 | 350 | 12-22 | 355 | 12-26 |
300 | 12 | 78 | 230 | 1013 | 363 | 313 | 395 | 12-22 | 400 | 12-22 | 410 | 12-26 |
350 | 14 | 78 | 248 | 1046 | 363 | 313 | 445 | 12-22 | 460 | 16-22 | 470 | 16-26 |
400 | 16 | 102 | 289 | 1135 | 363 | 313 | 495 | 16-22 | 515 | 16-26 | 525 | 16-30 |
450 | 18 | 114 | 320 | 1328 | 465 | 439 | 550 | 16-22 | 565 | 20-26 | 585 | 20-30 |
500 | 20 | 127 | 343 | 1226 | 546 | 431 | 600 | 20-22 | 620 | 20-26 | 650 | 20-33 |
600 | 24 | 154 | 413 | 1394 | 546 | 556 | 705 | 20-26 | 725 | 20-30 | 770 | 20-36 |
700 | 28 | 165 | 478 | 1534 | 546 | 556 | 810 | 24-26 | 840 | 24-30 | 840 | 24-36 |
800 | 32 | 190 | 525 | 1659 | 546 | 556 | 920 | 24-30 | 950 | 24-33 | 950 | 24-39 |
900 | 36 | 203 | 585 | 1748 | 617 | 706 | 1020 | 24-30 | 1050 | 28-33 | 1050 | 28-39 |
1000 | 40 | 216 | 640 | 1805 | 632 | 706 | 1120 | 28-30 | 1160 | 28-36 | 1170 | 28-42 |
1200 | 48 | 254 | 755 | 2035 | 632 | 706 | 1340 | 32-33 | 1380 | 32-39 | 1390 | 32-48 |
1400 | 56 | 279 | 910 | 2310 | 790 | 1338 | 1560 | 36-36 | 1590 | 36-42 | 1590 | 36-48 |
1600 | 64 | 318 | 1030 | 2845 | 868 | 1476 | 1760 | 40-36 | 1820 | 40-48 | 1820 | 40-56 |
1800 | 72 | 356 | 1140 | 3060 | 868 | 1476 | 1970 | 44-39 | 2020 | 44-48 | 2020 | 44-56 |
2000 | 80 | 406 | 1250 | 3350 | 965 | 1600 | 2180 | 48-42 | 2230 | 48-48 | 2230 | 48-62 |
dgfmjt@163.com
021-66861950
上海市金山區亭林鎮亭朱公路1918號