
GYA系列液壓安全閥裝于油缺罐頂部與呼吸閥配合使用,在呼吸閥一旦失靈時起安全作用。
液壓式安全閥是(活瓣式)呼吸閥的安全備用設備,它的吸氣和呼氣的動作壓力略高于(活瓣式)呼吸閥,在呼吸閥一旦失靈或在冬季其活瓣凍結時,液壓安全閥的液封即被破壞從而保護油罐免遭破壞。
液壓安全閥裝于油罐頂部與呼吸閥配合使用。
控制壓力:+56毫米水柱至-50毫米水柱。
各種GYA液壓安全閥都應垂直安裝。
GYA液壓安全閥出口處應無阻力,避免產生受壓現象。
GYA液壓安全閥在安裝前應專門測試,并檢查其官密封性。
對使用中的GYA液壓安全閥應作定期檢查。
設計制造標準:GB/T 12243-2005
結構長度標準:GB/T 12221-2005
連接法蘭標準:GB/T 9113
壓力溫度等級:GB/T 12224-2005
試驗檢驗標準:GB/T 13927-2008
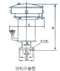
規格(DN) | 圖號 | 重量(㎏臺) | 安裝尺寸(毫米) | |||||||
---|---|---|---|---|---|---|---|---|---|---|
d | D | D1 | D2 | d1 | L | H | n | |||
80 | GYA-80 | 38 | Φ85 | Φ150 | Φ185 | Φ125 | Φ18 | 376 | 424 | 4 |
100 | GYA-100 | 42 | Φ105 | Φ170 | Φ205 | Φ145 | Φ18 | 500 | 605 | 4 |
150 | GYA-150 | 66 | Φ148 | Φ225 | Φ260 | Φ200 | Φ18 | 650 | 705 | 8 |
200 | GYA-200 | 97.2 | Φ210 | Φ280 | Φ315 | Φ255 | Φ18 | 900 | 755 | 8 |
250 | GYA-250 | 140.0 | Φ264 | Φ335 | Φ370 | Φ310 | Φ18 | 1050 | 885 | 12 |
dgfmjt@163.com
021-66861950
上海市金山區亭林鎮亭朱公路1918號