
T47H-16c或Q浮球式疏水調節閥(引進前蘇聯原型號T47H16c浮球式調節閥)適用于電站、化工、制藥、造紙等行業具有加熱器的工業部門,用于除氧汽水箱水位的調節。有效控制加熱器中的水量多少的必須設備。
此閥外形尺寸較大.適用于較大背壓力且不會泄漏蒸汽,排出的凝結水是接近蒸汽壓力的飽和水,故有利于提高本閥門的設備熱效率和二次蒸汽利用的節能特點。
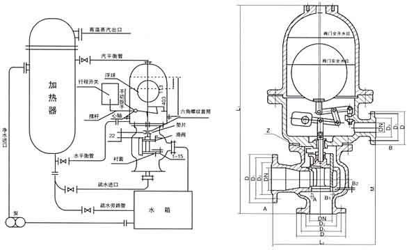
該閥隨著凝結水液面上升,當浮球升到距罩蓋底平面403mm時,閥門全開使冷凝結水大量排入水箱。當浮球下降 113毫米后.閥門全關.冷凝水不能流出,使浮球穩定的限制在113-403毫米的空間范圍內變化.從而使閥門達到只能排放空氣和水殛高溫冷凝水,而阻止蒸汽泄漏的優越性。
本閥是利用凝結水液位的變化而使浮球上升和下降,也可以手柄操作.從而驅動下部的啟閉裝置.開啟和關閉.實現排水阻氣的功能。
當前疏水閥廣泛地應用于城建、化工、冶金、石油、制藥、食品、飲料、環保中。
產日型號 | 公稱通徑 | 主要外形尺寸 | 連接尺寸 | |||||||||||||||
---|---|---|---|---|---|---|---|---|---|---|---|---|---|---|---|---|---|---|
長 | 寬 | 高 | L1 | L2 | M | A-D | D1 | D2 | b | z-Φd | DN | B-D | D1 | D2 | b | Z-Φd | ||
T41H-16C | 40 | 460 | 540 | 964 | 160 | 240 | 385 | 145 | 110 | 85 | 18 | 4×18 | 40 | 145 | 110 | 85 | 18 | 4×18 |
50 | 160 | 125 | 100 | 20 | 4×18 | |||||||||||||
80 | 195 | 160 | 135 | 22 | 8×18 | |||||||||||||
100 | 215 | 180 | 155 | 25 | 8×18 | |||||||||||||
150 | 470 | 560 | 980 | 280 | 240 | 210 | 30 | 8×23 |
dgfmjt@163.com
021-66861950
上海市金山區亭林鎮亭朱公路1918號