
二通保溫旋塞閥,手動、法蘭連接、填料密封直通式結構,旋塞密封面材料為灰鑄鐵(X43W-10)、鑄銅(X43T-10),公稱壓力 PN10、閥體材料為灰鑄鐵的旋塞閥。適用于工作壓力小于 1.0MPa,溫度低于 100℃ 的水、蒸汽、油品等介質的管路上作啟閉用。
適用范圍
當前旋塞閥廣泛地應用于油田開采、輸送和精練設備中,同時也廣泛用于石油化工、化工、煤氣、天然氣、液化石油氣、暖通行業以及一般工業中。
結構示意圖
主要零件材料
零件名稱 | 閥體、塞子 | 填料 |
---|---|---|
BX43W-1.0P BX43W-1.0R | 不銹鋼 | 石墨 |
BX43W-1.0C | 鑄鋼 |
主要性能規范
型號 | 公稱壓力PN(MPa) | 試驗壓力PS(MPa) | 工作壓力P(MPa) | 適用介質 | 適用溫度(℃)聚四氟乙烯 | |
---|---|---|---|---|---|---|
殼體 | 密封 | |||||
BX43W-1.0P | 1.0 | 1.5 | 1.1 | 1.0 | 硝酸類等 | ≤250 |
BX43W-1.0C | 1.0 | 1.5 | 1.1 | 1.0 | 非腐蝕、弱腐蝕 | ≤200 |
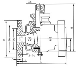
主要尺寸
口徑 | L | D | D1 | D2 | Z-∮d |
---|---|---|---|---|---|
20 | 150 | 105 | 75 | 55 | 4×14 |
25 | 160 | 115 | 85 | 65 | 4×14 |
32 | 190 | 135 | 100 | 78 | 4×18 |
40 | 200 | 145 | 110 | 85 | 4×18 |
50 | 220 | 160 | 125 | 100 | 4×18 |
65 | 280 | 180 | 145 | 120 | 4×18 |
80 | 300 | 195 | 160 | 135 | 4×18 |
100 | 340 | 215 | 180 | 155 | 8×18 |
125 | 350 | 245 | 210 | 185 | 8×18 |
150 | 400 | 280 | 240 | 210 | 8×23 |
200 | 480 | 335 | 295 | 265 | 8×23 |
250 | 530 | 390 | 350 | 320 | 12×23 |
300 | 610 | 440 | 400 | 368 | 12×23 |
旋塞閥選用指南
根據旋塞閥的結構特點和設計上所能達到的功能,建議按下列原則選用:
用于分配介質和改變介質流動方向,其工作溫度≤ 300°C,公稱壓力≤ 1.6 MPa、公稱通徑≤ 300 mm,建議選用三通旋塞閥。
牛奶、果汁、啤酒等食品企業及制藥廠等的設備和管路上,建議選用奧氏體不銹鋼制的緊定式圓錐形旋塞閥。
油田開采、天然氣田開采、管道輸送的支管、精煉和清潔設備中,公稱壓力級≤ CL300、公稱通徑≤ 300 mm、工作溫度 ≤ 340°C,建議選用油封式圓錐形旋塞閥。
油田開采、天然氣田開采、管道輸送的支管、精煉和清潔設備中,公稱壓力級≤ CL2500、公稱通徑≤ 900 mm、工作溫度 ≤ 340°C,建議選用壓力平衡式倒圓錐形旋塞閥。
在大型化學工業中,含有腐蝕性介質的管路和設備上,要求開啟或關閉速度較快的場合,對于以硝酸為基的介質,可選用1Cr18Ni9不銹鋼制的聚四氟乙烯套筒密封圓錐形旋塞閥。
在煤氣、天然氣、暖通系統的管路中和設備上,當公稱壓力≤ 1.0 MPa、公稱通徑≤ 200 mm,宜選用填料式圓錐形旋塞閥。
dgfmjt@163.com
021-66861950
上海市金山區亭林鎮亭朱公路1918號