
HH49型微阻緩閉蝶式止回閥適用于公稱壓力1 MPa,介質溫度≤80%的清水、污水、海水等介質管道上,以及給、排水加壓泵組上。通過本蝶式止回閥獨特的微阻緩閉裝置,能有效地防止水錘的發生,保證管路系統安全運行。
特點
由于本止回閥設有微阻緩閉裝置,能有效地防止水擊現象的發生,保證管道正常運行。
本止回閥設計結構獨特新穎,體積小、重量輕。
密封面為橡膠對金屬的軟密封,密封性能可靠。耐磨損,使用壽命長。
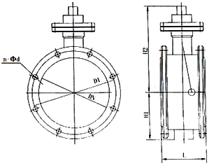
結構示意圖
主要零件材料
閥體 | 球墨鑄鐵 灰鑄鐵 |
---|---|
蝶板 | 鑄鋼 不銹鋼 |
閥桿 | 不銹鋼 |
盛扭面 | 丁睛橡膠 |
主要外形尺寸與法蘭連接尺寸
公稱通徑 (DN) | 產要尺寸 | 法蘭尺寸和螺栓規格 | |||
---|---|---|---|---|---|
1.0MPa | |||||
L | H1 | H2 | D1 | n-Φd | |
100 | 190 | 110 | 210 | 180 | 8-18 |
125 | 200 | 123 | 220 | 210 | 8-18 |
150 | 210 | 140 | 250 | 240 | 8-23 |
200 | 230 | 168 | 280 | 295 | 12-23 |
250 | 250 | 195 | 310 | 350 | 12-23 |
300 | 270 | 220 | 350 | 400 | 16-23 |
350 | 290 | 250 | 410 | 460 | 16-25 |
400 | 310 | 283 | 490 | 515 | 20-25 |
450 | 330 | 308 | 520 | 565 | 20-25 |
500 | 350 | 335 | 585 | 620 | 20-30 |
600 | 390 | 390 | 640 | 725 | 24-30 |
700 | 430 | 448 | 700 | 840 | 24-34 |
800 | 470 | 505 | 750 | 950 | 28-34 |
900 | 510 | 555 | 810 | 1050 | 28-34 |
1000 | 550 | 610 | 860 | 1160 | 28-34 |
1200 | 630 | 725 | 980 | 1380 | 32-41 |
dgfmjt@163.com
021-66861950
上海市金山區亭林鎮亭朱公路1918號