
PZ273電液動刀型閘閥又稱電液動刀閥、電液動插板閥、電液動薄型閘閥、電液動閘板閥,電控液動刀型閘閥主要由閥體、閥板、絲桿、驅動螺母、支架、壓條、電液動執行器、填料組成,PZ273型電液動刀型閘閥具有體積小,重量輕,PZ273型電液動刀型閘閥屬對夾式、平行單閘板結構、單向流通性質,流通阻力小、可切斷各種漿類、灰渣、污水、水渣混合物、纖維等介質,泛應用于電力,市政、礦山、冶金、化工、煤炭、水利等行業,是一種應用性強的新型更新替代閥門產品。
型號代表
閥門類型代號:“PZ”表示刀型閘閥;
驅動形式代號:“2”表示電液動;
連接形式代號:“7”表示對夾式;
結構形式代號:“3”表示單閘板;
密封面材料代號:“Y”表示堆焊合金;
具體型號有
PZ273Y-6,PZ273Y-10,PZ273Y-16; (閥體:鑄鐵)
PZ273Y-6C,PZ273Y-10C,PZ273Y-16C; (閥體:鑄鋼)
PZ273Y-6P,PZ273Y-10P,PZ273Y-16P; (閥體:不銹鋼304/304L)
主要用途
該產品通過電液聯動裝置往復推位來控制閥門的開啟和關閉,如配置傳感器或數字顯示裝置,可進行遠距離,高空的危險地區集中或程序控制,廣泛適用于食品、造紙、醫藥、石油、化工等油品、水、蒸汽管路上,接通或截斷管路中的纖維、粉塵、化學品處理污水、沉淀池、瀝青、料倉出口、水果汁、谷物等介質。
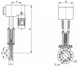
結構示意圖
主要外形及連接尺寸(mm)
MPa | DN | L | D1 | D2 | H | A | B | N-M |
---|---|---|---|---|---|---|---|---|
0.6 | 50 | 43 | 90 | 110 | 650 | 160 | 140 | 4-M12 |
65 | 46 | 110 | 130 | 670 | 160 | 140 | 4-M12 | |
80 | 46 | 125 | 150 | 685 | 160 | 140 | 4-M16 | |
100 | 52 | 145 | 170 | 755 | 200 | 160 | 4-M16 | |
125 | 56 | 175 | 200 | 790 | 200 | 160 | 8-M16 | |
150 | 56 | 200 | 225 | 865 | 200 | 160 | 8-M16 | |
200 | 60 | 255 | 280 | 940 | 220 | 180 | 8-M16 | |
250 | 68 | 310 | 335 | 1030 | 220 | 180 | 12-M16 | |
300 | 78 | 362 | 395 | 1180 | 220 | 180 | 12-M20 | |
350 | 78 | 412 | 445 | 1285 | 220 | 180 | 12-M20 | |
400 | 102 | 462 | 495 | 1390 | 240 | 220 | 16-M20 | |
450 | 114 | 518 | 550 | 1500 | 240 | 220 | 16-M20 | |
500 | 127 | 568 | 600 | 1600 | 240 | 220 | 16-M20 | |
1.0 | 50 | 43 | 100 | 125 | 650 | 160 | 140 | 4-M16 |
65 | 46 | 120 | 145 | 670 | 160 | 140 | 4-M16 | |
80 | 46 | 135 | 160 | 685 | 160 | 140 | 4-M16 | |
100 | 52 | 155 | 180 | 755 | 200 | 160 | 8-M16 | |
125 | 56 | 185 | 210 | 790 | 200 | 160 | 8-M16 | |
150 | 56 | 210 | 240 | 865 | 200 | 160 | 8-M20 | |
200 | 60 | 265 | 295 | 940 | 220 | 180 | 8-M20 | |
250 | 68 | 320 | 350 | 1030 | 220 | 180 | 12-M20 | |
300 | 78 | 368 | 400 | 1180 | 220 | 180 | 12-M20 | |
350 | 78 | 428 | 460 | 1285 | 220 | 180 | 16-M20 | |
400 | 102 | 482 | 515 | 1390 | 240 | 220 | 16-M20 | |
450 | 114 | 532 | 565 | 1500 | 240 | 220 | 20-M22 | |
500 | 127 | 585 | 620 | 1600 | 240 | 220 | 20-M22 |
dgfmjt@163.com
021-66861950
上海市金山區亭林鎮亭朱公路1918號